Пройди удачно
Дополнительный маршрут
Гарантия качества

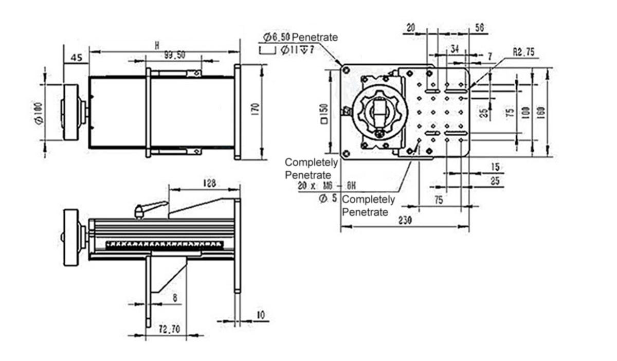
Название: Подъемный стол по оси Z (Модель: LZ-200/300/500/800)
Размеры: 230*170*(LZ200=316) (LZ300=416) (LZ500=616) (LZ800=835)
(Нижняя пластина) Размер фиксирующей пластины: 170*170*10 мм
Размер монтажного отверстия: 150*150 мм (4-6,5 потайных монтажных отверстия, подходит для винтов M6)
Обработка поверхности: Анодированный черный
Ходовой винт: M16*4 (Т-образный ходовой винт)
Нагрузка: 50 кг Собственный вес: LZ-500 около 6 кг
Преимущество: материал из алюминиевого сплава, высокая точность, легкий вес, большая нагрузка, долговечность, пыленепроницаемость.








ПРОФЕССИОНАЛЬНАЯ КОНСУЛЬТАЦИЯ
Если вы заинтересованы в наших продуктах и хотите узнать больше деталей, пожалуйста, оставьте сообщение здесь, мы ответим вам, как только сможем.